- Home
- Heizen
- Schornsteine
- Jeremias| Pelletofenrohr | Strahlungsschutz Bogen 90° liegend
Jeremias| Pelletofenrohr | Strahlungsschutz Bogen 90° liegend
Durch Einsatz eines Strahlungsschutzes, kann der Abstand zu brennbaren Bauteilen, gemäß der angefügten Leistungserklärung, auf 400mm verringert werden.
ab 34,95 € inkl 19% MwSt
20 - 30 Werktage** Versandgewicht:
Unbekannt
Produkt Details
Beschreibung
Jeremias PELLET LINE Strahlungsschutz für 90° Winkel liegend
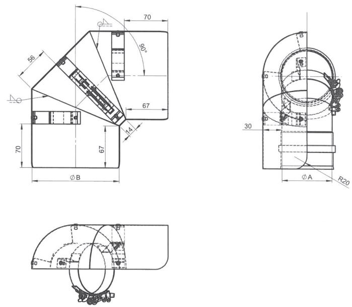
Bauteil: Strahlungsschutz für 90° Winkel, liegend
Durchmesser: für Ofenrohre mit wählbarem Durchmesser (80mm, 100mm)
Farbe: wählbar (schwarz, gussgrau, unlackiert)
Anwendungsbereich: Pelletofen, Pelletkamin
Abmessungen
| Ø | Art.-Nr. | A | B | C | D | ![]() |
| 80mm | EWEC498080 | 80 | 140 | - | - | |
| 100mm | EWEC498100 | 100 | 160 | - | - | |
Der Strahlungsschutz wird auf das vorhande Ofenrohr aufgesteckt. Es ist daher unbedingt notwendig, dass Sie nach der Montage den sicheren Sitz des Wärmeschutzes prüfen. Sollte dieser noch in irgendeiner Weise locker sein, muss er nochmals gesondert gesichert werden. Der Strahlenschutz darf nicht nach unten hängend oder bei waagerechten Rohren zur Seite zeigend montiert werden.
- Ofenrohr - Strahlungsschutz; Bogen 90° liegend
- Praktische Steckverbindung der einzelnen Elemente durch vorgefertigte eingezogene Steckenden
- Hergestellt in Deutschland mit 25 Jahre Hersteller Garantie
Durch Einsatz eines Strahlungsschutzes, kann der Abstand zu brennbaren Bauteilen, gemäß der angefügten Leistungserklärung auf 400mm verringert werden.
Jeremias PELLET LINE Ofenrohr ist ...
- industriell gefertigt
- aus hochwertigem Edelstahl
- einwandig
- kürzbar
- hitzebeständig bis 200 °C
- rußbrandbeständig
- feuchteunempfindlich
- druckdicht bis 200 Pa
- CE zertifiziert
- geeignet für Pelletöfen
weitere Besonderheiten:
Die Verbindung der Ofenrohre erfolgt über eine eingezogene Steckverbindung mit innenliegender Spezialdichtung die sich in einer eingeformten Sicke befindet. Diese Verbindung ermöglicht eine Überdruckdichtigkeit bis 200 Pa. Die sichtbaren Oberflächen in den Farben Gussgrau oder Schwarz sind mit einer hitzebeständigen Silikonfarbe beschichtet. PELLET-Line Ofenrohre aus Edelstahl mit einer Wandstärke von 4 mm und sind im Durchmesser von 80 mm und 100 mm erhältlich.
Mehr Informationen
| Artikel Einheit | St |
|---|---|
| Abmessung in | mm |
| EAN | 4062852569506 |
| Design | sonstige |
| Farbe | sonstige |
| Gewicht in kg | 1.0 |
| Lieferzeit | 20 - 30 Werktage** |
| DIN EN | 1856-1 zugelassen |
| Freistehbar | 3 m mit 2 Statischen Klemmbändern |
| Druckklasse | P1 (bis 200 Pa) |
| Rußbrandbeständig | Ja |
| Kondensatbeständig | Ja |
| Ausbrandbeständigkeit | bis 1.000°C |
| Materialstärke innen | 0,4 mm |
| Doppelwandig | Nein |
| Brennstoff | Pellets |
| Herstellergarantie | 25 Jahre |
