- Home
- Jeremias Grundplatte für Kaminerhöhung | doppelwandig | Ø 400 mm
Telefon:
Fax:
email:
Sie erreichen unseren Kundendienst für Fragen, Reklamationen und Beanstandungen unter Telefon: von .
Jeremias Grundplatte für Kaminerhöhung | doppelwandig | Ø 400 mm
Jeremias doppelwandige Grundplatte für Kaminerhöhung | runder Einschub L=250 mm | DW-FU System
Artikelnummer
DW08400
inkl 19% MwSt
610,00 €
Auf Lager
Lieferzeit:
4 - 8 Werktage** Versandgewicht:
5,89 kg
4 - 8 Werktage** Versandgewicht:
5,89 kg
Produkt Details
Beschreibung
Jeremias Grundplatte für Kaminerhöhung mit rundem Einschub
Die Grundplatte für die Kaminerhöhung ist dann sinnvoll, wenn man auf einen bestehenden, beispielsweise gemauerten Schornstein, noch einen Edelstahlaufbau vornehmen möchte. Das Bauteil lässt sich mit jedem anderen Element desselben Durchmessers und Systems kombinieren. Montage am bestehenden Schornstein wird durch eine Montageplatte möglich gemacht.
Eigenschaften Jeremias Grundplatte:
- Typ: DW-FU
- Dämmstärke: 32,5 mm mit 120 kg/m³ garantierter Pressdichte
- Einsatzbereiche: Regelfeuerstätten für Öl-, Gas-, Festbrennstoffe ( naturbelassenes Holz, Torf, Koks, Kohle )
- Einsatztemperatur: bis 600°C
- Rußbrandbeständig: bis 1000°C
- 3 Meter freistehend bis einschließlich Ø 300 mm
- Material Außen: Edelstahl 1.4301 - Hochglanz
- Materialstärke Edelstahl: 0,6 mm
- Wärmedurchlasswiderstand: 0,501 m² K/W
- einfache Steckverbindung
- inklusive extra breites, versenktes Klemmband mit 70 mm
- rußbrandbeständig und feuchteunempfindlich
- 250 mm langer Einschub
- Maximale Aufbauhöhe ab Grundplatte beträgt 1,5m
- Mindestabstand zu brennbaren Bauteilen (Festbrennstoffe) im senkrechten Teil: 70 mm
- Mindestabstand zu brennbaren Bauteilen (Öl, Gas) im senkrechten Teil: 30 mm
- CE Klassifizierung nach DIN EN 1856-1
- 25 Jahre Herstellergarantie
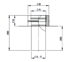
Zeichnung:
![]() |
![]() |
| Ø | A | B | C | KG |
| 400 | 400 | 465 | 550 | 5,89 |
Mehr Informationen
| Artikel Einheit | St |
|---|---|
| Abmessung in | mm |
| Durchmesser | 400 |
| EAN | 4062852019735 |
| Design | sonstige |
| Farbe | edelstahl |
| Gewicht in kg | 5.89 |
| Lieferzeit | 4 - 8 Werktage** |
| Innendurchmesser | 400 mm |
| DIN EN | 1856-1 zugelassen |
| Temperaturklasse | <600 °C |
| Freistehbar | 3 m mit 2 Statischen Klemmbändern |
| Druckklasse | N1 (bis 40 Pa) |
| Rußbrandbeständig | Ja |
| Kondensatbeständig | Ja |
| Ausbrandbeständigkeit | bis 1.000°C |
| Materialstärke innen | 0,6 mm |
| Materialstärke außen | 0,6 mm |
| Stärke der Isolierung | 32,5 mm |
| Abgastemperaturen | <600 °C (Unterdruckbetrieb) |
| Doppelwandig | Ja |
| Brennstoff | Gas, Öl, Pellets, Festbrennstoffe |
| Herstellergarantie | 25 Jahre |
Frage zum Produkt
Produkt: Jeremias Grundplatte für Kaminerhöhung | doppelwandig | Ø 400 mm
Downloads
Bewertungen
Seien Sie der erste, der dieses Produkt bewertet


